설치하기
설치에 필요한 전체 과정과 장치의 연결 예시를 제공합니다. 각 장치의 기타 배선에 대한 자세한 내용은 해당 제품의 가이드를 참고하세요.
제품 설치에 대한 더 자세한 내용은 슈프리마 기술 지원팀(CS@suprema.co.kr)에 문의하세요.
CoreStation 설치
백업 배터리 고정
배터리 벨크로 스트랩을 함체에 끼운 뒤 배터리를 고정하세요.

백업 배터리는 12 VDC 사양과 7 Ah 이상의 제품을 사용하세요. 이 제품은 'ROCKET'사의 'ES7-12' 제품으로 테스트 되었으며, 'ES7-12'에 준하는 제품을 사용할 것을 권장합니다.
-
백업 배터리는 별매품입니다.
-
백업 배터리의 크기 및 단자의 모양과 크기를 반드시 확인하세요. 백업 배터리의 크기가 권장 사양보다 클 경우 함체에 장착할 수 없거나 장착한 뒤 함체가 닫히지 않을 수 있습니다. 또한 단자의 모양 및 크기가 다를 경우 제공된 케이블을 사용해 배터리를 연결할 수 없습니다.
제품 고정
-
함체에서 제품을 장착할 위치를 확인하세요.

-
장착할 위치에 맞추어 제품을 함체에 올린 뒤 고정용 나사로 고정하세요.

- ENCR-10은 벽에 고정하여 사용할 수 있도록 설계되었습니다. 설치 높이에 제한 없이 안전하고 사용하기에 편리한 위치에 설치하세요.
-
ENCR-10 구성품에는 함체 고정용 나사, 제품 고정용 나사, 전원 장치 연결용 나사가 포함되어 있습니다. 각 나사의 용도에 맞추어 올바르게 사용하세요.
-
함체 고정용 나사(직경: 4 mm, 길이: 25 mm) x4
-
제품 고정용 나사(직경: 3 mm, 길이: 5 mm) x6
-
전원 장치 케이블 고정용 나사(직경: 3 mm, 길이: 8 mm) x1
-
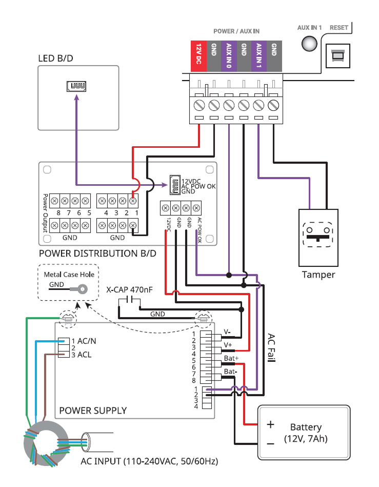
전원 및 AUX 입력, 탬퍼 연결
전원 장애를 막기 위해 무정전 전원 장치(UPS)를 연결하여 사용할 수 있으며, 전원 장애 감지기나 다른 장치의 접점 출력을 AUX IN 단자에 연결할 수 있습니다.
또한 탬퍼와 연결하여 외부 요인에 의해 함체가 열릴 경우 경보를 울리거나 이벤트 로그를 남길 수 있습니다.

-
출입 통제 장치와 제품에 연결하는 전원은 반드시 분리하여 사용하세요.
-
전원 어댑터는 IEC/EN 62368-1 승인을 받은 제품으로 단말기의 소모 전력 이상의 제품을 사용하세요. 전원 어댑터에 다른 기기를 연결하여 사용하려면 단말기의 소모 전력과 다른 기기에 필요한 소모 전력을 합한 전류 용량 이상의 어댑터를 사용해야 합니다.
- 최대 소모전류 규격은 제품 사양의 전원을 참고하세요.
-
전원 어댑터를 사용할 경우 전원 케이블의 길이를 임의로 연장하지 마세요.
-
백업 배터리는 12 VDC 사양과 7 Ah 이상의 제품을 사용하세요. 이 제품은 'ROCKET'사의 'ES7-12' 제품으로 테스트 되었으며, 'ES7-12'에 준하는 제품을 사용할 것을 권장합니다.
Output Module (OM-120) 설치
백업 배터리 고정
배터리 벨크로 스트랩을 함체에 끼운 뒤 배터리를 고정하세요.

백업 배터리는 12 VDC 사양과 7 Ah 이상의 제품을 사용하세요. 이 제품은 'ROCKET'사의 'ES7-12' 제품으로 테스트 되었으며, 'ES7-12'에 준하는 제품을 사용할 것을 권장합니다.
-
백업 배터리는 별매품입니다.
-
백업 배터리의 크기 및 단자의 모양과 크기를 반드시 확인하세요. 백업 배터리의 크기가 권장 사양보다 클 경우 함체에 장착할 수 없거나 장착한 뒤 함체가 닫히지 않을 수 있습니다. 또한 단자의 모양 및 크기가 다를 경우 제공된 케이블을 사용해 배터리를 연결할 수 없습니다.
제품 고정
-
함체에서 제품을 장착할 위치를 확인하세요. 1개의 함체에 2개의 제품을 설치할 수 있습니다.

-
장착할 위치에 맞추어 제품을 함체에 올린 뒤 고정용 나사로 고정하세요.

- ENCR-10은 벽에 고정하여 사용할 수 있도록 설계되었습니다. 설치 높이에 제한 없이 안전하고 사용하기에 편리한 위치에 설치하세요.
-
ENCR-10 구성품에는 함체 고정용 나사, 제품 고정용 나사, 전원 장치 연결용 나사가 포함되어 있습니다. 각 나사의 용도에 맞추어 올바르게 사용하세요.
-
함체 고정용 나사(직경: 4 mm, 길이: 25 mm) x4
-
제품 고정용 나사(직경: 3 mm, 길이: 5 mm) x6
-
전원 장치 케이블 고정용 나사(직경: 3 mm, 길이: 8 mm) x1
-
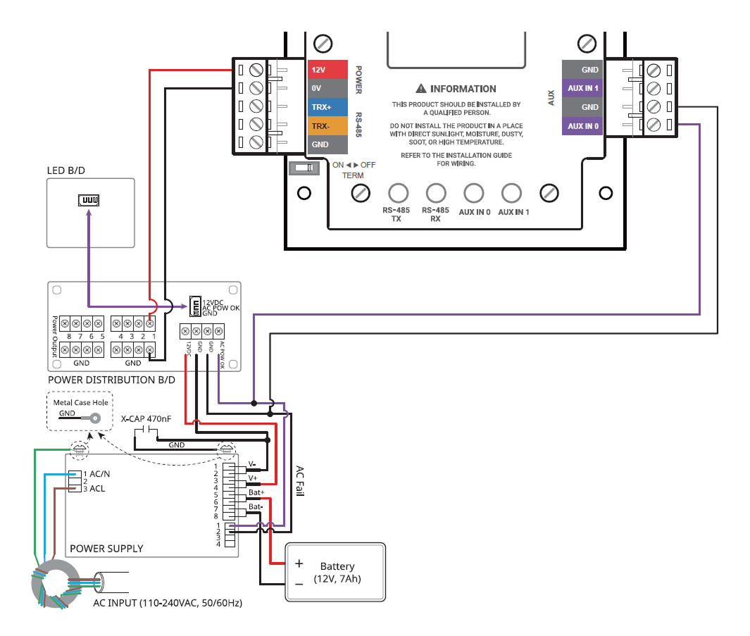
전원 및 AUX 입력 연결
전원 장애를 막기 위해 무정전 전원 장치(UPS)를 연결하여 사용할 수 있으며, 전원 장애 감지기나 다른 장치의 접점 출력을 AUX IN 단자에 연결할 수 있습니다.

-
출입 통제 장치와 제품에 연결하는 전원은 반드시 분리하여 사용하세요.
-
전원 어댑터는 IEC/EN 62368-1 승인을 받은 제품으로 단말기의 소모 전력 이상의 제품을 사용하세요. 전원 어댑터에 다른 기기를 연결하여 사용하려면 단말기의 소모 전력과 다른 기기에 필요한 소모 전력을 합한 전류 용량 이상의 어댑터를 사용해야 합니다.
- 최대 소모전류 규격은 제품 사양의 전원을 참고하세요.
-
전원 어댑터를 사용할 경우 전원 케이블의 길이를 임의로 연장하지 마세요.
-
백업 배터리는 12 VDC 사양과 7 Ah 이상의 제품을 사용하세요. 이 제품은 'ROCKET'사의 'ES7-12' 제품으로 테스트 되었으며, 'ES7-12'에 준하는 제품을 사용할 것을 권장합니다.
탬퍼 연결
외부 요인에 의해 함체가 열릴 경우 경보를 울리거나 이벤트 로그를 남길 수 있습니다.

Input Module (IM-120) 설치
백업 배터리 고정
배터리 벨크로 스트랩을 함체에 끼운 뒤 배터리를 고정하세요.

백업 배터리는 12 VDC 사양과 7 Ah 이상의 제품을 사용하세요. 이 제품은 'ROCKET'사의 'ES7-12' 제품으로 테스트 되었으며, 'ES7-12'에 준하는 제품을 사용할 것을 권장합니다.
-
백업 배터리는 별매품입니다.
-
백업 배터리의 크기 및 단자의 모양과 크기를 반드시 확인하세요. 백업 배터리의 크기가 권장 사양보다 클 경우 함체에 장착할 수 없거나 장착한 뒤 함체가 닫히지 않을 수 있습니다. 또한 단자의 모양 및 크기가 다를 경우 제공된 케이블을 사용해 배터리를 연결할 수 없습니다.
제품 고정
-
함체에서 제품을 장착할 위치를 확인하세요. 1개의 함체에 2개의 제품을 설치할 수 있습니다.

-
장착할 위치에 맞추어 제품을 함체에 올린 뒤 고정용 나사로 고정하세요.

- ENCR-10은 벽에 고정하여 사용할 수 있도록 설계되었습니다. 설치 높이에 제한 없이 안전하고 사용하기에 편리한 위치에 설치하세요.
-
ENCR-10 구성품에는 함체 고정용 나사, 제품 고정용 나사, 전원 장치 연결용 나사가 포함되어 있습니다. 각 나사의 용도에 맞추어 올바르게 사용하세요.
-
함체 고정용 나사(직경: 4 mm, 길이: 25 mm) x4
-
제품 고정용 나사(직경: 3 mm, 길이: 5 mm) x6
-
전원 장치 케이블 고정용 나사(직경: 3 mm, 길이: 8 mm) x1
-
전원 및 AUX 입력 연결
전원 장애를 막기 위해 무정전 전원 장치(UPS)를 연결하여 사용할 수 있으며, 전원 장애 감지기나 다른 장치의 접점 출력을 AUX IN 단자에 연결할 수 있습니다.

-
출입 통제 장치와 제품에 연결하는 전원은 반드시 분리하여 사용하세요.
-
전원 어댑터는 IEC/EN 62368-1 승인을 받은 제품으로 단말기의 소모 전력 이상의 제품을 사용하세요. 전원 어댑터에 다른 기기를 연결하여 사용하려면 단말기의 소모 전력과 다른 기기에 필요한 소모 전력을 합한 전류 용량 이상의 어댑터를 사용해야 합니다.
- 최대 소모전류 규격은 제품 사양의 전원을 참고하세요.
-
전원 어댑터를 사용할 경우 전원 케이블의 길이를 임의로 연장하지 마세요.
-
백업 배터리는 12 VDC 사양과 7 Ah 이상의 제품을 사용하세요. 이 제품은 'ROCKET'사의 'ES7-12' 제품으로 테스트 되었으며, 'ES7-12'에 준하는 제품을 사용할 것을 권장합니다.
탬퍼 연결
외부 요인에 의해 함체가 열릴 경우 경보를 울리거나 이벤트 로그를 남길 수 있습니다.
